保持通用电动机尺寸的同时,内置制动器
是不改变通用电动机的尺寸而在内部装入励磁制动器或无励磁制动器的产品。其特点是内置小型电源,操作简便。
用途印刷机械、装订机、食品机械、包装机械、医疗器械

BMS MODEL
【规格】
| 型号 | 电机 | 制动器 | 旋转部分转动惯量 J[kg・m2] | 允许制动功率Pba ℓ[W] | 总制动做功ET[J] | 工作时间 | 质量[kg] | ||||||||||
|---|---|---|---|---|---|---|---|---|---|---|---|---|---|---|---|---|---|
| 框号 | 出力[kW]4極 | 转矩T[N・m] | 线圈(at20℃) | 耐热等级 | 空隙 | 电枢吸引时间ta[s] | 惰行时间 | ||||||||||
| 电压[V] | 电流[A] | 电阻[Ω] | 功率[W] | 规定値[mm] | 界限値[mm] | 同时切断[s] | DC单独切断[s] | ||||||||||
| BMS-024-NHBN | 63 | 0.2 | 2 | DC90 | 0.20 | 440 | 18 | B | 0.15~0.25 | 0.40 | 0.8×10-3 | 18 | 3.5×107 | 0.04 | 0.1 | 0.08 | 7.5 |
| BMS-024-NHFN | 63 | 0.2 | 2 | DC90 | 0.20 | 440 | 18 | B | 0.15~0.25 | 0.40 | 0.8×10-3 | 18 | 3.5×107 | 0.04 | 0.1 | 0.08 | 8.5 |
| BMS-044-NHB | 71 | 0.4 | 4 | DC90 | 0.28 | 324 | 25 | B | 0.15~0.25 | 0.40 | 1.5×10-3 | 26.2 | 7.0×107 | 0.05 | 0.1 | 0.08 | 10 |
| BMS-044-NHF | 71 | 0.4 | 4 | DC90 | 0.28 | 324 | 25 | B | 0.15~0.25 | 0.40 | 1.5×10-3 | 26.2 | 7.0×107 | 0.05 | 0.1 | 0.08 | 11 |
| BMS-074-HPB | 80 | 0.75 | 8 | DC90 | 0.33 | 270 | 30 | B | 0.20~0.30 | 0.50 | 4.3×10-3 | 29.4 | 12.5×107 | 0.05 | 0.14 | 0.09 | 16.5 |
| BMS-074-HPF | 80 | 0.75 | 8 | DC90 | 0.33 | 270 | 30 | B | 0.20~0.30 | 0.50 | 4.3×10-3 | 29.4 | 12.5×107 | 0.05 | 0.14 | 0.09 | 19 |
| BMS-154-HPB | 90 | 1.5 | 15 | DC90 | 0.34 | 261 | 31 | B | 0.20~0.30 | 0.60 | 8.1×10-3 | 45.8 | 20.0×107 | 0.11 | 0.15 | 0.09 | 23 |
| BMS-154-HPF | 90 | 1.5 | 15 | DC90 | 0.34 | 261 | 31 | B | 0.20~0.30 | 0.60 | 8.1×10-3 | 45.8 | 20.0×107 | 0.11 | 0.15 | 0.09 | 26 |
※0.2kW・0.4kW 的电机依据JIS C 4210、超过0.75kW 的电机为依据JIS C 4213 的全密闭外扇型电机。(日立产机系统株式会社生产)
※电机的输入电源为三相 AC 200V/50Hz、AC200V・AC220V/60Hz 。
※制动电机的容许制动频率,请参考设计方面的确认事项页。关于详细频率,因其会根据负荷条件而有所变化,所以请通过选定计算进行确认。
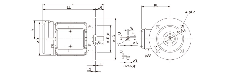
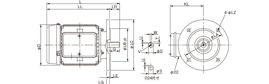
【尺寸1】
基座安装

| 型号 | 本体尺寸 | ||||||||||||||||||||
|---|---|---|---|---|---|---|---|---|---|---|---|---|---|---|---|---|---|---|---|---|---|
| L | R | A | B | D | KL | H | P | C | F | E | N | M | G | Z | S | W | U | T | Q | V | |
| BMS-024-NHBN | 215 | 103 | 112 | 79 | 130 | 115 | 128 | 134 | 63 | 40 | 50 | 100 | 130 | 3.2 | 7×21 | 11 h6 | - | 1 | - | 23 | - |
| BMS-044-NHB | 244 | 120 | 124 | 87 | 145 | 141 | 143.5 | 150 | 71 | 45 | 56 | 115 | 140 | 3.2 | 7×20 | 14 j6 | 5 | 3 | 5 | 30 | M5×0.8深度18 |
| BMS-074-HPB | 290.5 | 140 | 150.5 | 97 | 163 | 148 | 161.5 | 168 | 80 | 50 | 62.5 | 125 | 160 | 3.2 | 10×25 | 19 j6 | 6 | 3.5 | 6 | 40 | M6×1深度20 |
| BMS-154-NPB | 329 | 168.5 | 160.5 | 114.5 | 182 | 144 | 178 | 188 | 90 | 62.5 | 70 | 155 | 170 | 10 | 10 | 24 j6 | 8 | 4 | 7 | 50 | M6×1深度20 |
【尺寸2】
法兰安装

| 型号 | 本体尺寸 | |||||||||||||||||
|---|---|---|---|---|---|---|---|---|---|---|---|---|---|---|---|---|---|---|
| L | LR | LL | D | KL | LC | Y | LB | LA | LE | LG | LZ | S | W | U | T | Q | V | |
| BMS-024-NHFN | 241 | 23 | 218 | 130 | 115 | 160 | 70 | 110 | 130 | 3.5 | 8 | 10 | 11 h6 | - | 1 | - | 23 | - |
| BMS-044-NHF | 265 | 30 | 235 | 145 | 134.5 | 160 | 79 | 110 | 130 | 3.5 | 10 | 10 | 14 j6 | 5 | 3 | 5 | 30 | M5×0.8深度18 |
| BMS-074-HPF | 305 | 40 | 265 | 163 | 142 | 200 | 88 | 130 | 165 | 3.5 | 12 | 12 | 19 j6 | 6 | 3.5 | 6 | 40 | M6×1深度20 |
| BMS-154-HPF | 349 | 50 | 299 | 176 | 144 | 200 | 98 | 130 | 165 | 3.5 | 12 | 12 | 24 j6 | 8 | 4 | 7 | 50 | M6×1深度20 |
选项记号:G
根据制动器电动机的安装部位,电动机端子箱可能会无法按照标准产品的尺寸位置安装。在这种情况下,可考虑使用G型的安装尺寸。请在尺寸图中确认G型的端子箱位置。
选项记号:2H
由于同时使用制动器电动机和变频器等,需要有快速响应性时,可配备DC单独切断电源(BEW2-2H)。
BMM MODEL
【规格】
| 型号 | 电机 | 制动器 | 旋转部分转动惯量 J[kg・m2] | 允许制动功率Pbaℓ[W] | 总制动做功ET[J] | 工作时间 | 质量[kg] | |||||||||
|---|---|---|---|---|---|---|---|---|---|---|---|---|---|---|---|---|
| 框号 | 出力[kW]4極 | 转矩T[N・m] | 线圈(at20℃) | 耐热等级 | 空隙 | 电枢吸引时间ta[s] | 电枢释放时间tar[s] | |||||||||
| 电压[V] | 电流[A] | 电阻[Ω] | 功率[W] | 规定値[mm] | 界限値[mm] | |||||||||||
| BMM-024-NHBN | 63 | 0.2 | 2.5 | DC180 | 0.06 | 2956 | 11 | B | 0.10~0.20 | 0.30 | 0.9×10-3 | 11 | 5.0×107 | 0.015 | 0.015 | 7 |
| BMM-024-NHFN | 63 | 0.2 | 2.5 | DC180 | 0.06 | 2956 | 11 | B | 0.10~0.20 | 0.30 | 0.9×10-3 | 11 | 5.0×107 | 0.015 | 0.015 | 8 |
| BMM-044-NHB | 71 | 0.4 | 5 | DC180 | 0.07 | 2458 | 12.6 | B | 0.10~0.20 | 0.35 | 2.4×10-3 | 26.2 | 7.0×107 | 0.030 | 0.030 | 9 |
| BMM-044-NHF | 71 | 0.4 | 5 | DC180 | 0.07 | 2458 | 12.6 | B | 0.10~0.20 | 0.35 | 2.4×10-3 | 26.2 | 7.0×107 | 0.030 | 0.030 | 10 |
| BMM-074-HPB | 80 | 0.75 | 10 | DC180 | 0.089 | 2039 | 16 | B | 0.15~0.25 | 0.45 | 3.8×10-3 | 32.7 | 17.0×107 | 0.040 | 0.040 | 14.5 |
| BMM-074-HPF | 80 | 0.75 | 10 | DC180 | 0.089 | 2039 | 16 | B | 0.15~0.25 | 0.45 | 3.8×10-3 | 32.7 | 17.0×107 | 0.040 | 0.040 | 16.5 |
| BMM-154-HPB | 90 | 1.5 | 20 | DC180 | 0.123 | 1466 | 22.1 | B | 0.15~0.25 | 0.70 | 9.5×10-3 | 45.8 | 25.0×107 | 0.060 | 0.060 | 22 |
| BMM-154-HPF | 90 | 1.5 | 20 | DC180 | 0.123 | 1466 | 22.1 | B | 0.15~0.25 | 0.70 | 9.5×10-3 | 45.8 | 25.0×107 | 0.060 | 0.060 | 25 |
| BMM-224-HPB | 100 | 2.2 | 30 | DC180 | 0.167 | 1080 | 30 | B | 0.20~0.30 | 1.00 | 15.2×10-3 | 58.9 | 50.0×107 | 0.070 | 0.070 | 32 |
| BMM-224-HPF | 100 | 2.2 | 30 | DC180 | 0.167 | 1080 | 30 | B | 0.20~0.30 | 1.00 | 15.2×10-3 | 58.9 | 50.0×107 | 0.070 | 0.070 | 37 |
| BMM-374-HPB | 112 | 3.7 | 50 | DC180 | 0.17 | 1059 | 30.6 | B | 0.20~0.30 | 1.10 | 22.6×10-3 | 73.6 | 75.0×107 | 0.070 | 0.080 | 42 |
| BMM-374-HPF | 112 | 3.7 | 50 | DC180 | 0.17 | 1059 | 30.6 | B | 0.20~0.30 | 1.10 | 22.6×10-3 | 73.6 | 75.0×107 | 0.070 | 0.080 | 47 |
※ 0.2kW・0.4kW 的电机依据JIS C 4210、超过0.75kW 的电机为依据JIS C 4213 的全密闭外扇型电机。(日立产机系统株式会社生产)
※电机的输入电源为三相 AC 200V/50Hz、AC200V・AC220V/60Hz 。
※制动电机的容许制动频率,请参考设计方面的确认事项页。关于详细频率,因其会根据负荷条件而有所变化,所以请通过选定计算进行确认。
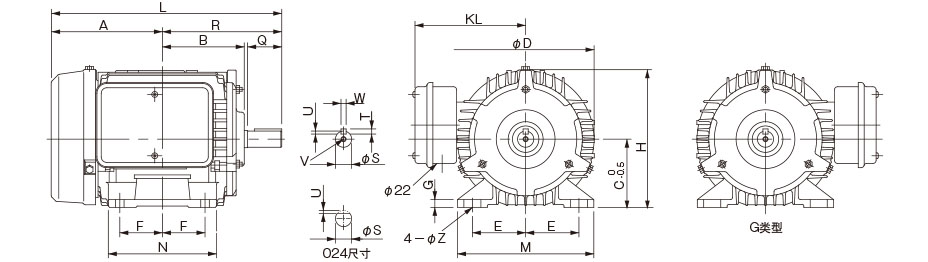
【尺寸1】
基座安装

| 型号 | 本体尺寸 | |||||||||||||||||||
|---|---|---|---|---|---|---|---|---|---|---|---|---|---|---|---|---|---|---|---|---|
| L | R | A | B | D | KL | H | C | F | E | N | M | G | Z | S | W | U | T | Q | V | |
| BMM-024-NHBN | 215 | 103 | 112 | 80 | 130 | 115 | 128 | 63 | 40 | 50 | 100 | 130 | 3.2 | 7×21 | 11 h6 | - | 1 | - | 23 | - |
| BMM-044-NHB | 235.5 | 120 | 115.5 | 87 | 145 | 131 | 143.5 | 71 | 45 | 56 | 115 | 140 | 3.2 | 7×20 | 14 j6 | 5 | 3 | 5 | 30 | M5×0.8深度18 |
| BMM-074-HPB | 280.5 | 140 | 140.5 | 97 | 163 | 138.5 | 161.5 | 80 | 50 | 62.5 | 125 | 160 | 3.2 | 10×25 | 19 j6 | 6 | 3.5 | 6 | 40 | M6×1深度20 |
| BMM-154-HPB | 321 | 168.5 | 152.5 | 114.5 | 182 | 144 | 178 | 90 | 62.5 | 70 | 155 | 170 | 10 | 10 | 24 j6 | 8 | 4 | 7 | 50 | M6×1深度20 |
| BMM-224-HPB | 368.5 | 193 | 175.5 | 129 | 198 | 151 | 197.5 | 100 | 70 | 80 | 175 | 195 | 12.5 | 12 | 28 j6 | 8 | 4 | 7 | 60 | M6×1深度20 |
| BMM-374-HPB | 397 | 200 | 197 | 136 | 225 | 164 | 219.5 | 112 | 70 | 95 | 175 | 224 | 14 | 12 | 28 j6 | 8 | 4 | 7 | 60 | M6×1深度20 |
【尺寸2】
法兰安装

| 型号 | 本体尺寸 | ||||||||||||||||
|---|---|---|---|---|---|---|---|---|---|---|---|---|---|---|---|---|---|
| L | LR | LL | D | KL | LC | LB | LA | LE | LG | LZ | S | W | U | T | Q | V | |
| BMM-024-NHFN | 241 | 23 | 218 | 130 | 115 | 160 | 110 | 130 | 3.5 | 8 | 10 | 11h6 | - | 1 | - | 23 | - |
| BMM-044-NHF | 256.5 | 30 | 226.5 | 145 | 124.5 | 160 | 110 | 130 | 3.5 | 10 | 10 | 14 j6 | 5 | 3 | 5 | 30 | M5×0.8深度18 |
| BMM-074-HPF | 295 | 40 | 255 | 163 | 132 | 200 | 130 | 165 | 3.5 | 12 | 12 | 19 j6 | 6 | 3.5 | 6 | 40 | M6×1深度20 |
| BMM-154-HPF | 341 | 50 | 291 | 176 | 144 | 200 | 130 | 165 | 3.5 | 12 | 12 | 24 j6 | 8 | 4 | 7 | 50 | M6×1深度20 |
| BMM-224-HPF | 388.5 | 60 | 328.5 | 195 | 151 | 250 | 180 | 215 | 4.0 | 16 | 14.5 | 28 j6 | 8 | 4 | 7 | 60 | M6×1深度20 |
| BMM-374-HPF | 422 | 60 | 362 | 215 | 164 | 250 | 180 | 215 | 4.0 | 16 | 14.5 | 28 j6 | 8 | 4 | 7 | 60 | M6×1深度20 |
选项记号:G
根据制动器电动机的安装部位,电动机端子箱可能会无法按照标准产品的尺寸位置安装。在这种情况下,可考虑使用G型的安装尺寸。请在尺寸图中确认G型的端子箱位置。
也可支持高输出电动机(5.5kW至11kW)。
详情请向本公司洽询。
