最适合小型精密设备的微型离合器·制动器
微型离合器·制动器最适合于办公设备、通信设备、汽车设备等不耐转矩和响应性变动的小型精密设备。除离合器和制动器的基本设计相同的102型(离合器)和112型(制动器)之外,还备有可按照客户要求提供各种定制型的CYT型(离合器)。
用途金融终端设备、配页机、办公设备、计量包装机、印刷机械、装订机、光学器材

102-□-1□ TYPE
【规格】
| 型号 | 尺寸 | 动摩擦转矩Td[N•m] | 线圈(20℃时) | 耐热等级 | 最高转速[min-1] | 旋转部分转动惯量 J | 允许连接做功Eeaℓ[J] | 空隙再调整之前的总做功ET[J] | 电枢吸引时间ta[s] | 转矩上升时间tp[s] | 转矩消失时间td[s] | 质量[kg] | ||||
|---|---|---|---|---|---|---|---|---|---|---|---|---|---|---|---|---|
| 电压[V] | 功率[W] | 电流[A] | 电阻[Ω] | 电枢[kg・m2] | 转子[kg・m2] | |||||||||||
| 102-02-13 | 02 | 0.4 | DC24 | 6 | 0.25 | 96 | B | 10000 | 6.75×10-7 | 2.45×10-6 | 1500 | 2×106 | 0.009 | 0.019 | 0.017 | 0.075 |
| 102-02-15 | 02 | 0.4 | DC24 | 6 | 0.25 | 96 | B | 500 | 1.00×10-6 | 2.45×10-6 | 1500 | 2×106 | 0.009 | 0.019 | 0.017 | 0.081 |
| 102-02-11 | 02 | 0.4 | DC24 | 6 | 0.25 | 96 | B | 10000 | 1.00×10-6 | 2.45×10-6 | 1500 | 2×106 | 0.009 | 0.019 | 0.017 | 0.079 |
| 102-03-13 | 03 | 0.6 | DC24 | 6 | 0.25 | 96 | B | 10000 | 1.30×10-6 | 3.25×10-6 | 2300 | 3×106 | 0.009 | 0.022 | 0.020 | 0.096 |
| 102-03-15 | 03 | 0.6 | DC24 | 6 | 0.25 | 96 | B | 500 | 1.95×10-6 | 3.25×10-6 | 2300 | 3×106 | 0.009 | 0.022 | 0.020 | 0.105 |
| 102-03-11 | 03 | 0.6 | DC24 | 6 | 0.25 | 96 | B | 10000 | 1.95×10-6 | 3.25×10-6 | 2300 | 3×106 | 0.009 | 0.022 | 0.020 | 0.103 |
| 102-04-13 | 04 | 1.2 | DC24 | 8 | 0.33 | 72 | B | 10000 | 4.38×10-6 | 1.41×10-5 | 4500 | 6×106 | 0.011 | 0.028 | 0.030 | 0.178 |
| 102-04-15 | 04 | 1.2 | DC24 | 8 | 0.33 | 72 | B | 500 | 6.15×10-6 | 1.41×10-5 | 4500 | 6×106 | 0.011 | 0.028 | 0.030 | 0.195 |
| 102-04-11 | 04 | 1.2 | DC24 | 8 | 0.33 | 72 | B | 10000 | 6.15×10-6 | 1.41×10-5 | 4500 | 6×106 | 0.011 | 0.028 | 0.030 | 0.191 |
| 102-05-13 | 05 | 2.4 | DC24 | 10 | 0.42 | 58 | B | 10000 | 9.08×10-6 | 3.15×10-5 | 9000 | 9×106 | 0.012 | 0.031 | 0.040 | 0.310 |
| 102-05-15 | 05 | 2.4 | DC24 | 10 | 0.42 | 58 | B | 500 | 1.38×10-5 | 3.15×10-5 | 9000 | 9×106 | 0.012 | 0.031 | 0.040 | 0.335 |
| 102-05-11 | 05 | 2.4 | DC24 | 10 | 0.42 | 58 | B | 10000 | 1.38×10-5 | 3.15×10-5 | 9000 | 9×106 | 0.012 | 0.031 | 0.040 | 0.325 |
※动摩擦转矩Td为相对速度100min-1时的数值。
※旋转部分转动惯量及质量为最大孔径时的数值。
※请将电源电压变动控制在线圈电压±10%以内。
【尺寸】
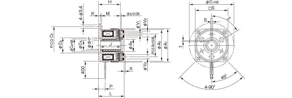
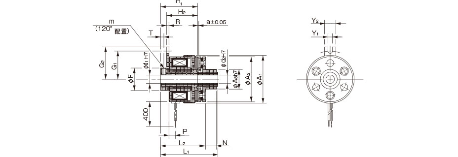
102-□-13(用于直接安装)

| 尺寸 | 径向尺寸 | 轴向尺寸 | ||||||||||||||||||||
|---|---|---|---|---|---|---|---|---|---|---|---|---|---|---|---|---|---|---|---|---|---|---|
| A1 | A2 | A3 | A4 | C1 | C2 | C3 | C4 | C5 | S | V1 | V2 | V3 | Z | H | J | K | L | P | M | a | X | |
| 02 | 31 | 28 | 19.5 | 10.5 | 39 | 33.5 | 11.4 | 11 | 8 | - | 2-2.1 | 2-5.3 | 2-4 | 4-90° | 18 | 16.5 | 1.5 | 20.5 | 5 | 1.1 | 0.1 | 0.8 |
| 03 | 34 | 32 | 23 | 12.5 | 45 | 38 | 13.6 | 13 | 10 | 33 | 3-2.6 | 3-6 | 3-4.5 | 6-60° | 22.2 | 20.2 | 2 | 24.5 | 6.7 | 1.3 | 0.15 | 1.2 |
| 04 | 43 | 40 | 30 | 18.5 | 54 | 47 | 20 | 19 | 15.5 | 41 | 3-3.1 | 3-6 | 3-5 | 6-60° | 25.4 | 23.4 | 2 | 28.2 | 7 | 1.3 | 0.15 | 1.5 |
| 05 | 54 | 50 | 38 | 25.5 | 65 | 58 | 27.2 | 26 | 22 | 51 | 3-3.1 | 3-6.5 | 3-5.5 | 6-60° | 28.1 | 26.1 | 2 | 31.3 | 8.2 | 1.5 | 0.2 | 1.5 |
※02尺寸为圆法兰。
※02尺寸的转子没有键槽。请通过向轴压入等方式进行固定。
| 尺寸 | 轴孔尺寸 | ||||
|---|---|---|---|---|---|
| d1 H7 | 符合新JIS标准 | 符合旧JIS标准 | |||
| b P9 | t | b P9 | t | ||
| 02 | 5 | - | - | - | - |
| 03 | 6 | 2-0.006-0.031 | 0.8+0.30 | - | - |
| 04 | 8 | 2-0.006-0.031 | 0.8+0.30 | - | - |
| 10 | 3-0.006-0.031 | 1.2+0.30 | 4+0.050+0.020 | 1.5+0.50 | |
| 05 | 10 | 3-0.006-0.031 | 1.2+0.30 | 4+0.050+0.020 | 1.5+0.50 |
| 15 | 5-0.012-0.042 | 2+0.50 | 5+0.050+0.020 | 2+0.50 | |

【尺寸】
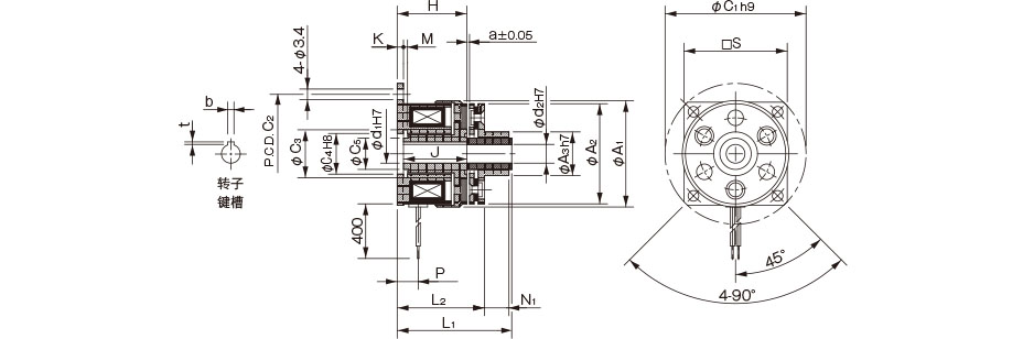
102-□-15(用于直轴)

| 尺寸 | 径向尺寸 | 轴向尺寸 | ||||||||||||||||
|---|---|---|---|---|---|---|---|---|---|---|---|---|---|---|---|---|---|---|
| A1 | A2 | A3 | C1 | C2 | C3 | C4 | C5 | S | H | J | K | L1 | L2 | M | P | N1 | a | |
| 02 | 31 | 28 | 13 | 39 | 33.5 | 11.4 | 11 | 8 | - | 18 | 16.5 | 1.5 | 27.5 | 22.4 | 1.1 | 5 | 4.8 | 0.1 |
| 03 | 34 | 32 | 14 | 45 | 38 | 13.6 | 13 | 10 | 33 | 22.2 | 20.2 | 2 | 34.5 | 26.5 | 1.3 | 6.7 | 7.8 | 0.15 |
| 04 | 43 | 40 | 18 | 54 | 47 | 20 | 19 | 15.5 | 41 | 25.4 | 23.4 | 2 | 40.2 | 30.8 | 1.3 | 7 | 9.1 | 0.15 |
| 05 | 54 | 50 | 28 | 65 | 58 | 27.2 | 26 | 22 | 51 | 28.1 | 26.1 | 2 | 43.3 | 34.3 | 1.5 | 8.2 | 8.8 | 0.2 |
※02尺寸为圆法兰。
※02尺寸的转子没有键槽。请通过向轴压入等方式进行固定。
| 尺寸 | 轴孔尺寸 | |||||
|---|---|---|---|---|---|---|
| d1 H7 | d2 H7 | 符合新JIS标准 | 符合旧JIS标准 | |||
| b P9 | t | b P9 | t | |||
| 02 | 5 | 5 | - | - | - | - |
| 03 | 6 | 6 | 2-0.006-0.031 | 0.8+0.30 | - | - |
| 04 | 8 | 8 | 2-0.006-0.031 | 0.8+0.30 | - | - |
| 10 | 10 | 3-0.006-0.031 | 1.2+0.30 | 4+0.050+0.020 | 1.5+0.50 | |
| 05 | 10 | 10 | 3-0.006-0.031 | 1.2+0.30 | 4+0.050+0.020 | 1.5+0.50 |
| 15 | 15 | 5-0.012-0.042 | 2+0.50 | 5+0.050+0.020 | 2+0.50 | |
※5型电枢的孔d2为直孔。

【尺寸】
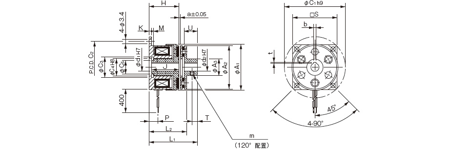
102-□-11(用于对接轴)

| 尺寸 | 径向尺寸 | 轴向尺寸 | ||||||||||||||||||
|---|---|---|---|---|---|---|---|---|---|---|---|---|---|---|---|---|---|---|---|---|
| A1 | A2 | A3 | C1 | C2 | C3 | C4 | C5 | S | m | H | J | K | L1 | L2 | M | P | U | T | a | |
| 02 | 31 | 28 | 9.5 | 39 | 33.5 | 11.4 | 11 | 8 | - | M3 | 18 | 16.5 | 1.5 | 27.5 | 22.5 | 1.1 | 5 | 7 | 2.5 | 0.1 |
| 03 | 34 | 32 | 12 | 45 | 38 | 13.6 | 13 | 10 | 33 | 2-M3 | 22.2 | 20.2 | 2 | 34.5 | 26.5 | 1.3 | 6.7 | 10 | 4 | 0.15 |
| 04 | 43 | 40 | 17 | 54 | 47 | 20 | 19 | 15.5 | 41 | 2-M3 | 25.4 | 23.4 | 2 | 40.2 | 30.8 | 1.3 | 7 | 12 | 5 | 0.15 |
| 05 | 54 | 50 | 24 | 65 | 58 | 27.2 | 26 | 22 | 51 | 2-M4 | 28.1 | 26.1 | 2 | 43.3 | 34.3 | 1.5 | 8.2 | 12 | 5 | 0.2 |
※02尺寸为圆法兰。
※02尺寸的转子没有键槽。请通过向轴压入等方式进行固定。
| 尺寸 | 轴孔尺寸 | |||||
|---|---|---|---|---|---|---|
| d1 H7 | d2 H7 | 符合新JIS标准 | 符合旧JIS标准 | |||
| b P9 | t | b P9 | t | |||
| 02 | 5 | 5 | - | - | - | - |
| 03 | 6 | 6 | 2-0.006-0.031 | 0.8+0.30 | - | - |
| 04 | 8 | 8 | 2-0.006-0.031 | 0.8+0.30 | - | - |
| 10 | 10 | 3-0.006-0.031 | 1.2+0.30 | 4+0.050+0.020 | 1.5+0.50 | |
| 05 | 10 | 10 | 3-0.006-0.031 | 1.2+0.30 | 4+0.050+0.020 | 1.5+0.50 |
| 15 | 15 | 5-0.012-0.042 | 2+0.50 | 5+0.050+0.020 | 2+0.50 | |
5型电枢的孔d2为直孔。

102-□-3□ TYPE
【规格】
| 型号 | 尺寸 | 动摩擦转矩Td[N•m] | 线圈(20℃时) | 耐热等级 | 最高转速[min-1] | 旋转部分转动惯量 J | 允许连接做功Eeaℓ[J] | 空隙再调整之前的总做功ET[J] | 电枢吸引时间ta[s] | 转矩上升时间tp[s] | 转矩消失时间td[s] | 质量[kg] | ||||
|---|---|---|---|---|---|---|---|---|---|---|---|---|---|---|---|---|
| 电压[V] | 功率[W] | 电流[A] | 电阻[Ω] | 电枢[kg・m2] | 转子[kg・m2] | |||||||||||
| 102-02-33 | 02 | 0.4 | DC24 | 6 | 0.25 | 96 | B | 500 | 6.75×10-7 | 2.75×10-6 | 1500 | 2×106 | 0.009 | 0.019 | 0.017 | 0.076 |
| 102-02-35 | 02 | 0.4 | DC24 | 6 | 0.25 | 96 | B | 500 | 1.00×10-6 | 2.75×10-6 | 1500 | 2×106 | 0.009 | 0.019 | 0.017 | 0.082 |
| 102-02-31 | 02 | 0.4 | DC24 | 6 | 0.25 | 96 | B | 500 | 1.00×10-6 | 2.75×10-6 | 1500 | 2×106 | 0.009 | 0.019 | 0.017 | 0.080 |
| 102-03-33 | 03 | 0.6 | DC24 | 6 | 0.25 | 96 | B | 500 | 1.30×10-6 | 4.08×10-6 | 2300 | 3×106 | 0.009 | 0.022 | 0.020 | 0.101 |
| 102-03-35 | 03 | 0.6 | DC24 | 6 | 0.25 | 96 | B | 500 | 1.95×10-6 | 4.08×10-6 | 2300 | 3×106 | 0.009 | 0.022 | 0.020 | 0.110 |
| 102-03-31 | 03 | 0.6 | DC24 | 6 | 0.25 | 96 | B | 500 | 1.95×10-6 | 4.08×10-6 | 2300 | 3×106 | 0.009 | 0.022 | 0.020 | 0.108 |
| 102-04-33 | 04 | 1.2 | DC24 | 8 | 0.33 | 72 | B | 500 | 4.38×10-6 | 1.44×10-5 | 4500 | 6×106 | 0.011 | 0.028 | 0.030 | 0.183 |
| 102-04-35 | 04 | 1.2 | DC24 | 8 | 0.33 | 72 | B | 500 | 6.15×10-6 | 1.44×10-5 | 4500 | 6×106 | 0.011 | 0.028 | 0.030 | 0.200 |
| 102-04-31 | 04 | 1.2 | DC24 | 8 | 0.33 | 72 | B | 500 | 6.15×10-6 | 1.44×10-5 | 4500 | 6×106 | 0.011 | 0.028 | 0.030 | 0.196 |
| 102-05-33 | 05 | 2.4 | DC24 | 10 | 0.42 | 58 | B | 500 | 9.08×10-6 | 2.90×10-5 | 9000 | 9×106 | 0.012 | 0.031 | 0.040 | 0.321 |
| 102-05-35 | 05 | 2.4 | DC24 | 10 | 0.42 | 58 | B | 500 | 1.38×10-5 | 2.90×10-5 | 9000 | 9×106 | 0.012 | 0.031 | 0.040 | 0.346 |
| 102-05-31 | 05 | 2.4 | DC24 | 10 | 0.42 | 58 | B | 500 | 1.38×10-5 | 2.90×10-5 | 9000 | 9×106 | 0.012 | 0.031 | 0.040 | 0.336 |
※动摩擦转矩Td为相对速度100min-1时的数值。
※旋转部分转动惯量及质量为最大孔径时的数值。
※请将电源电压变动控制在线圈电压±10%以内。
【尺寸】
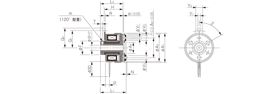
102-□-33(用于直接安装)

| 尺寸 | 径向尺寸 | 轴向尺寸 | ||||||||||||||||||||
|---|---|---|---|---|---|---|---|---|---|---|---|---|---|---|---|---|---|---|---|---|---|---|
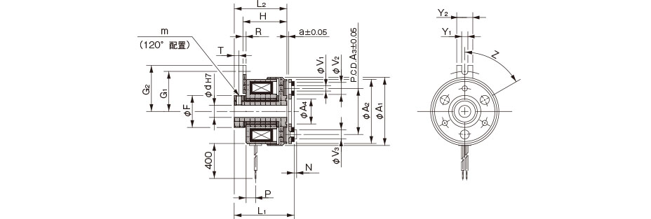
| A1 | A2 | A3 | A4 | F | V1 | V2 | V3 | G1 | G2 | Y1 | Y2 | Z | m | H | R | L1 | L2 | P | N | T | a | |
| 02 | 31 | 28 | 19.5 | 10.5 | 14 | 2-2.1 | 2-5.3 | 2-4 | 16.8 | 20 | 3.1 | 8 | 4-90° | 2-M3 | 19.5 | 1.6 | 25.9 | 23.5 | 5 | 0.8 | 2.5 | 0.1 |
| 03 | 34 | 32 | 23 | 12.5 | 16 | 3-2.6 | 3-6 | 3-4.5 | 20 | 23 | 3.1 | 8 | 6-60° | 2-M3 | 21.9 | 1.6 | 28.5 | 26.2 | 4.7 | 1.2 | 2.3 | 0.15 |
| 04 | 43 | 40 | 30 | 18.5 | 22 | 3-3.1 | 3-6 | 3-5 | 23 | 26 | 3.1 | 8 | 6-60° | 2-M4 | 25.1 | 1.6 | 33.2 | 30.4 | 5 | 1.5 | 2.8 | 0.15 |
| 05 | 54 | 50 | 38 | 25.5 | 30 | 3-3.1 | 3-6.5 | 3-5.5 | 28 | 31 | 3.1 | 8 | 6-60° | 2-M5 | 27.9 | 1.6 | 37.3 | 34.1 | 6 | 1.5 | 3.3 | 0.2 |
| 尺寸 | 轴孔尺寸 |
|---|---|
| d1 H7 | |
| 02 | 5 |
| 03 | 6 |
| 04 | 8 |
| 10 | |
| 05 | 10 |
| 15 |

【尺寸】
102-□-35(用于直轴)

| 尺寸 | 径向尺寸 | 轴向尺寸 | ||||||||||||||||
|---|---|---|---|---|---|---|---|---|---|---|---|---|---|---|---|---|---|---|
| A1 | A2 | A3 | F | G1 | G2 | Y1 | Y2 | m | H1 | H2 | R | L1 | L2 | P | N | T | a | |
| 02 | 31 | 28 | 13 | 14 | 16.8 | 20 | 3.1 | 8 | 2-M3 | 23.5 | 19.5 | 1.6 | 33 | 27.9 | 5 | 4.8 | 2.5 | 0.1 |
| 03 | 34 | 32 | 14 | 16 | 20 | 23 | 3.1 | 8 | 2-M3 | 26.2 | 21.9 | 1.6 | 38.5 | 30.5 | 4.7 | 7.8 | 2.3 | 0.15 |
| 04 | 43 | 40 | 18 | 22 | 23 | 26 | 3.1 | 8 | 2-M4 | 30.4 | 25.1 | 1.6 | 45.2 | 35.8 | 5 | 9.1 | 2.8 | 0.15 |
| 05 | 54 | 50 | 28 | 30 | 28 | 31 | 3.1 | 8 | 2-M5 | 34.1 | 27.9 | 1.6 | 49.3 | 0.3 | 6 | 8.8 | 3.3 | 0.2 |
| 尺寸 | 轴孔尺寸 | |
|---|---|---|
| d1 H7 | d2 H7 | |
| 02 | 5 | 5 |
| 03 | 6 | 6 |
| 04 | 8 | 8 |
| 10 | 10 | |
| 05 | 10 | 10 |
| 15 | 15 | |

【尺寸】
102-□-31(用于对接轴)

| 尺寸 | 径向尺寸 | 轴向尺寸 | ||||||||||||||||||
|---|---|---|---|---|---|---|---|---|---|---|---|---|---|---|---|---|---|---|---|---|
| A1 | A2 | A3 | F | G1 | G2 | Y1 | Y2 | m1 | m2 | H1 | H2 | R | L1 | L2 | P | U | T1 | T2 | a | |
| 02 | 31 | 28 | 9.5 | 14 | 16.8 | 20 | 3.1 | 8 | 2-M3 | M3 | 23.5 | 19.5 | 1.6 | 33 | 27.9 | 5 | 7 | 2.5 | 2.5 | 0.1 |
| 03 | 34 | 32 | 12 | 16 | 20 | 23 | 3.1 | 8 | 2-M3 | 2-M3 | 26.2 | 21.9 | 1.6 | 38.5 | 30.5 | 4.7 | 10 | 2.3 | 4 | 0.15 |
| 04 | 43 | 40 | 17 | 22 | 23 | 26 | 3.1 | 8 | 2-M4 | 2-M3 | 30.4 | 25.1 | 1.6 | 45.2 | 35.8 | 5 | 12 | 2.8 | 5 | 0.15 |
| 05 | 54 | 50 | 24 | 30 | 28 | 31 | 3.1 | 8 | 2-M5 | 2-M4 | 34.1 | 27.9 | 1.6 | 49.3 | 40.3 | 6 | 12 | 3.3 | 5 | 0.2 |
| 尺寸 | 轴孔尺寸 | |||||
|---|---|---|---|---|---|---|
| d1 H7 | d2 H7 | 符合新JIS标准 | 符合旧JIS标准 | |||
| b P9 | t | b P9 | t | |||
| 02 | 5 | 5 | - | - | - | - |
| 03 | 6 | 6 | 2-0.006-0.031 | 0.8+0.30 | - | - |
| 04 | 8 | 8 | 2-0.006-0.031 | 0.8+0.30 | - | - |
| 10 | 10 | 3-0.006-0.031 | 1.2+0.30 | 4+0.050+0.020 | 1.5+0.50 | |
| 05 | 10 | 10 | 3-0.006-0.031 | 1.2+0.30 | 4+0.050+0.020 | 1.5+0.50 |
| 15 | 15 | 5-0.012-0.042 | 2+0.50 | 5+0.050+0.020 | 2+0.50 | |


CYT MODEL
【规格】
| 型号 | 尺寸 | 动摩擦转矩Td[N•m] | 线圈(20℃时) | 耐热等级 | 最高转速[min-1] | 旋转部分转动惯量 J | 允许连接做功Eeaℓ[J] | 总做功ET[J] | 电枢吸引时间ta[s] | 转矩上升时间tp[s] | 转矩消失时间td[s] | 质量[kg] | ||||
|---|---|---|---|---|---|---|---|---|---|---|---|---|---|---|---|---|
| 电压[V] | 功率[W] | 电流[A] | 电阻[Ω] | 电枢[kg・m2] | 转子[kg・m2] | |||||||||||
| CYT-025-33B | 025 | 0.4 | DC24 | 4.5 | 0.188 | 128 | B | 3600 | 1.00×10-6 | 1.43×10-6 | 800 | 1.0×106 | 0.014 | 0.028 | 0.030 | 0.07 |
| CYT-03-33B | 03 | 0.5 | DC24 | 5.5 | 0.23 | 105 | B | 3600 | 1.30×10-6 | 1.85×10-6 | 900 | 1.5×106 | 0.015 | 0.030 | 0.040 | 0.13 |
| CYT-03-33M | 03 | 0.5 | DC24 | 5.5 | 0.23 | 105 | B | 500 | 1.30×10-6 | 1.90×10-6 | 900 | 1.5×106 | 0.015 | 0.030 | 0.040 | 0.11 |
| CYT-04-33B | 04 | 1.0 | DC24 | 5.9 | 0.25 | 98 | B | 3600 | 5.15×10-6 | 1.00×10-5 | 1900 | 2.0×106 | 0.030 | 0.040 | 0.040 | 0.26 |
| CYT-04-33M | 04 | 1.0 | DC24 | 5.9 | 0.25 | 98 | B | 500 | 5.15×10-6 | 1.05×10-5 | 1900 | 2.0×106 | 0.030 | 0.040 | 0.040 | 0.23 |
※动摩擦转矩Td为相对速度100min-1时的数值。
※旋转部分转动惯量及质量为最大孔径时的数值。
※请将电源电压变动控制在线圈电压±10%以内。此外,请注意不要让通电率超过50%。
【尺寸】
CYT-□-33M

| 尺寸 | 径向尺寸 | 轴向尺寸 | ||||||||||||||||||
|---|---|---|---|---|---|---|---|---|---|---|---|---|---|---|---|---|---|---|---|---|
| d | A1 | A2 | A3 | A4 | F | V1 | V2 | V3 | G1 | G2 | m | H | R | L1 | L2 | P | N | T | a | |
| 03 | 6 | 34 | 32 | 23 | 12.5 | 14 | 3-2.6 | 3-5.5 | 3-6 | 20 | 23 | M3 | 21 | 1.2 | 28.6 | 26.2 | 13 | 3 | 2.3 | 0.2±0.05 |
| 8 | ||||||||||||||||||||
| 04 | 8 | 45 | 42 | 30 | 18.5 | 18 | 3-3.1 | 3-6 | 3-6 | 25 | 27.5 | M4 | 25.3 | 1.2 | 35.1 | 32.4 | 17.5 | 3.5 | 3 | 0.2+0.05-0.1 |
| 10 | ||||||||||||||||||||
※ 尺寸记号N 及V3 表示安装时铆钉头的余量尺寸。

【尺寸】
CYT-025-33B


【尺寸】
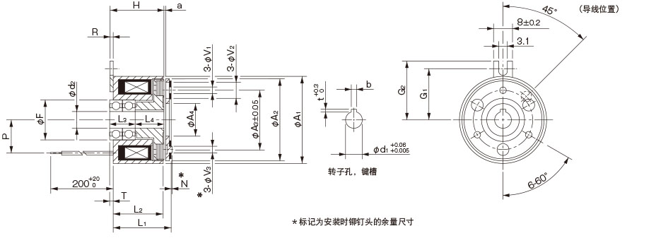
CYT-□-33B

| 尺寸 | 公称直径 | 径向尺寸 | 轴向尺寸 | 轴孔尺寸 | |||||||||||||||||||||
|---|---|---|---|---|---|---|---|---|---|---|---|---|---|---|---|---|---|---|---|---|---|---|---|---|---|
| A1 | A2 | A3 | A4 | F | V1 | V2 | V3 | G1 | G2 | H | R | L1 | L2 | L3 | L4 | P | N | T | a | d2 | d1 | b | t | ||
| 03 | 6 | 34 | 32 | 23 | 12.5 | 15 | 3-2.6 | 3-5.5 | 3-6 | 20 | 23 | 21 | 1.2 | 22.2 | 19.8 | 10 | 11.3 | 13 | 3 | 1.5 | 0.2±0.05 | 6 | 6 | 2+0.030-0.005 | 0.8+0.30 |
| 8 | 34 | 32 | 23 | 12.5 | 16 | 3-2.6 | 3-5.5 | 3-6 | 20 | 23 | 21 | 1.2 | 22.2 | 19.8 | 10 | 11.3 | 13 | 3 | 1.5 | 0.2±0.05 | 8 | 8 | 2+0.030-0.005 | 0.8+0.30 | |
| 04 | 8 | 45 | 42 | 30 | 18.5 | 19 | 3-3.1 | 3-6 | 3-6 | 25 | 28 | 25.3 | 1.2 | 26.8 | 24.1 | 12 | 13 | 17.5 | 3.5 | 0.9 | 0.2+0.05-0.1 | 8 | 8 | 2+0.030-0.005 | 0.8+0.30 |
| 10 | 45 | 42 | 30 | 18.5 | 19 | 3-3.1 | 3-6 | 3-6 | 25 | 28 | 25.3 | 1.2 | 26.8 | 24.1 | 14 | 11 | 17.5 | 3.5 | 0.9 | 0.2+0.05-0.1 | 10 | 10 | 3+0.025-0 | 1.2+0.30 | |
※尺寸记号N及V3表示安装时铆钉头的余量尺寸。

基本设计与微型离合器相同,是高性能且小巧的微型制动器。电枢部件有3种不同安装形状,可从中选择最合适的一种。
112 MODEL
【规格】
| 型号 | 尺寸 | 动摩擦转矩Td[N•m] | 线圈(20℃时) | 耐热等级 | 最高转速[min-1] | 电枢转动惯量J[kg・m2] | 允许连接做功Eeaℓ[J] | 空隙再调整之前的总做功ET[J] | 电枢吸引时间ta[s] | 转矩上升时间tp[s] | 转矩消失时间td[s] | 质量[kg] | |||
|---|---|---|---|---|---|---|---|---|---|---|---|---|---|---|---|
| 电压[V] | 功率[W] | 电流[A] | 电阻[Ω] | ||||||||||||
| 112-02-13 | 2 | 0.4 | DC24 | 6 | 0.25 | 96 | B | 10000 | 6.75×10-7 | 1500 | 2×106 | 0.004 | 0.01 | 0.01 | 0.053 |
| 112-02-12 | 2 | 0.4 | DC24 | 6 | 0.25 | 96 | B | 10000 | 1.00×10-6 | 1500 | 2×106 | 0.004 | 0.01 | 0.01 | 0.057 |
| 112-02-11 | 2 | 0.4 | DC24 | 6 | 0.25 | 96 | B | 10000 | 1.00×10-6 | 1500 | 2×106 | 0.004 | 0.01 | 0.01 | 0.057 |
| 112-03-13 | 3 | 0.6 | DC24 | 6 | 0.25 | 96 | B | 10000 | 1.30×10-6 | 2300 | 3×106 | 0.005 | 0.012 | 0.008 | 0.072 |
| 112-03-12 | 3 | 0.6 | DC24 | 6 | 0.25 | 96 | B | 10000 | 1.95×10-6 | 2300 | 3×106 | 0.005 | 0.012 | 0.008 | 0.079 |
| 112-03-11 | 3 | 0.6 | DC24 | 6 | 0.25 | 96 | B | 10000 | 1.95×10-6 | 2300 | 3×106 | 0.005 | 0.012 | 0.008 | 0.079 |
| 112-04-13 | 4 | 1.2 | DC24 | 8 | 0.33 | 72 | B | 10000 | 4.38×10-6 | 4500 | 6×106 | 0.007 | 0.016 | 0.01 | 0.118 |
| 112-04-12 | 4 | 1.2 | DC24 | 8 | 0.33 | 72 | B | 10000 | 6.15×10-6 | 4500 | 6×106 | 0.007 | 0.016 | 0.01 | 0.131 |
| 112-04-11 | 4 | 1.2 | DC24 | 8 | 0.33 | 72 | B | 10000 | 6.15×10-6 | 4500 | 6×106 | 0.007 | 0.016 | 0.01 | 0.131 |
| 112-05-13 | 5 | 2.4 | DC24 | 10 | 0.42 | 58 | B | 10000 | 9.08×10-6 | 9000 | 9×106 | 0.01 | 0.023 | 0.012 | 0.2 |
| 112-05-12 | 5 | 2.4 | DC24 | 10 | 0.42 | 58 | B | 10000 | 1.38×10-5 | 9000 | 9×106 | 0.01 | 0.023 | 0.012 | 0.215 |
| 112-05-11 | 5 | 2.4 | DC24 | 10 | 0.42 | 58 | B | 10000 | 1.38×10-5 | 9000 | 9×106 | 0.01 | 0.023 | 0.012 | 0.215 |
※动摩擦转矩Td为相对速度100min-1时的数值。
※旋转部分转动惯量及质量为最大孔径时的数值。
※请将电源电压变动控制在线圈电压±10%以内。
【尺寸】
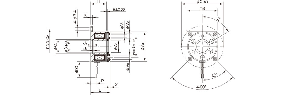
112-□-13

| 尺寸 | 径向尺寸 | 轴向尺寸 | ||||||||||||||||||
|---|---|---|---|---|---|---|---|---|---|---|---|---|---|---|---|---|---|---|---|---|
| A1 | A2 | A3 | C1 | C2 | C3 | C4 | S | V1 | V2 | V3 | Z | H | K | J1 | J2 | L | P | X | a | |
| 02 | 28 | 19.5 | 10.5 | 39 | 33.5 | 11.4 | 11 | - | 2-2.1 | 2-5.3 | 2-4 | 4-90° | 13.7 | 1.5 | 2.6 | 1.3 | 16.1 | 5 | 0.8 | 0.1 |
| 03 | 32 | 23 | 12.5 | 45 | 38 | 13.6 | 13 | 33 | 3-2.6 | 3-6 | 3-4.5 | 6-60° | 17 | 2 | 3.3 | 1.3 | 19.3 | 6.7 | 1.2 | 0.15 |
| 04 | 40 | 30 | 18.5 | 54 | 47 | 20 | 19 | 41 | 3-3.1 | 3-6 | 3-5 | 6-60° | 20 | 2 | 3.3 | 1.3 | 22.8 | 7 | 1.6 | 0.15 |
| 05 | 50 | 38 | 25.5 | 65 | 58 | 27.2 | 26 | 51 | 3-3.1 | 3-6.5 | 3-5.5 | 6-60° | 22 | 2 | 3.5 | 1.5 | 25.2 | 8 | 1.6 | 0.2 |
※02尺寸为圆法兰。

【尺寸】
112-□-12

| 尺寸 | 径向尺寸 | 轴向尺寸 | ||||||||||||
|---|---|---|---|---|---|---|---|---|---|---|---|---|---|---|
| A1 | C1 | C2 | C3 | C4 | S | H | K | J1 | J2 | L | P | U | a | |
| 02 | 28 | 39 | 33.5 | 11.4 | 11 | - | 13.7 | 1.5 | 2.6 | 1.3 | 18.1 | 5 | 7 | 0.1 |
| 03 | 32 | 45 | 38 | 13.6 | 13 | 33 | 17 | 2 | 3.3 | 1.3 | 21.3 | 6.7 | 10 | 0.15 |
| 04 | 40 | 54 | 47 | 20 | 19 | 41 | 20 | 2 | 3.3 | 1.3 | 25.5 | 7 | 12 | 0.15 |
| 05 | 50 | 65 | 58 | 27.2 | 26 | 51 | 22 | 2 | 3.5 | 1.5 | 28.2 | 8 | 12 | 0.2 |
※02尺寸为圆法兰。
※02尺寸的电枢毂没有键槽。请通过向轴压入等方式进行固定。
| 尺寸 | 轴孔尺寸 | ||||
|---|---|---|---|---|---|
| d1 H7 | 符合新JIS标准 | 符合旧JIS标准 | |||
| b P9 | t | b P9 | t | ||
| 02 | 5 | - | - | - | - |
| 03 | 6 | 2-0.006-0.031 | 0.8+0.30 | - | - |
| 04 | 8 | 2-0.006-0.031 | 0.8+0.30 | - | - |
| 10 | 3-0.006-0.031 | 1.2+0.30 | 4+0.050+0.020 | 1.5+0.50 | |
| 05 | 10 | 3-0.006-0.031 | 1.2+0.30 | 4+0.050+0.020 | 1.5+0.50 |
| 15 | 5-0.012-0.042 | 2+0.50 | 5+0.050+0.020 | 2+0.50 | |

【尺寸】
112-□-11

| 尺寸 | 径向尺寸 | 轴向尺寸 | ||||||||||||||||
|---|---|---|---|---|---|---|---|---|---|---|---|---|---|---|---|---|---|---|
| A1 | A2 | C1 | C2 | C3 | C4 | S | m | H | K | J1 | J2 | L1 | L2 | P | U | T | a | |
| 02 | 28 | 9.5 | 39 | 33.5 | 11.4 | 11 | - | M3 | 13.7 | 1.5 | 2.6 | 1.3 | 23.1 | 18.1 | 5 | 7 | 2.5 | 0.1 |
| 03 | 32 | 12 | 45 | 38 | 13.6 | 13 | 33 | 2-M3 | 17 | 2 | 3.3 | 1.3 | 29.3 | 21.3 | 6.7 | 10 | 4 | 0.15 |
| 04 | 40 | 17 | 54 | 47 | 20 | 19 | 41 | 2-M3 | 20 | 2 | 3.3 | 1.3 | 34.8 | 25.5 | 7 | 12 | 5 | 0.15 |
| 05 | 50 | 24 | 65 | 58 | 27.2 | 26 | 51 | 2-M4 | 22 | 2 | 3.5 | 1.5 | 37.2 | 28.2 | 8 | 12 | 5 | 0.2 |
※02尺寸为圆法兰。
| 尺寸 | 轴孔尺寸 | ||||
|---|---|---|---|---|---|
| d1 H7 | 符合新JIS标准 | 符合旧JIS标准 | |||
| b P9 | t | b P9 | t | ||
| 02 | 5 | - | - | - | - |
| 03 | 6 | 2-0.006-0.031 | 0.8+0.30 | - | - |
| 04 | 8 | 2-0.006-0.031 | 0.8+0.30 | - | - |
| 10 | 3-0.006-0.031 | 1.2+0.30 | 4+0.050+0.020 | 1.5+0.50 | |
| 05 | 10 | 3-0.006-0.031 | 1.2+0.30 | 4+0.050+0.020 | 1.5+0.50 |
| 15 | 5-0.012-0.042 | 2+0.50 | 5+0.050+0.020 | 2+0.50 | |
