3层螺旋结构,紧凑而具有高转矩和出色的挠曲性
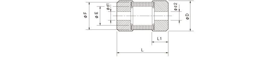
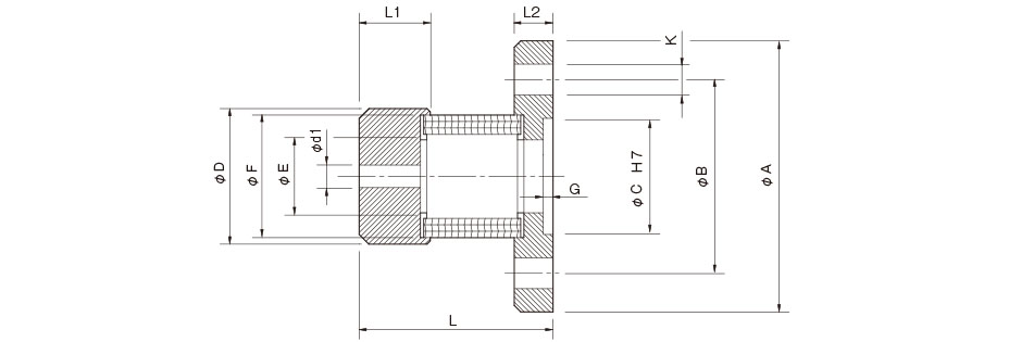
是用金属螺旋弹簧将安装在轴上的毂与毂相连接的联轴器,具有出色的挠曲性,实现了小型化和高转矩。型号有容许扭矩较小的BAUMANN MINI FLEX和轴与轴连接用的BAUMANN FLEX MM型、轴与法兰等连接用的BAUMANN FLEX MF型。
用途真空设备、医疗器械、印刷机械



有较低常用转矩的ZG型和LM型,挠曲性出色。尤其是LM型的超长型号(LM-1型)可容许偏角为14°。ZG型采用锌合金材质毂、方形钢线螺旋弹簧采用,LM型采用铝合金材质毂、圆形不锈钢线螺旋弹簧,可根据使用环境进行选择。

有较低常用转矩的ZG型和LM型,挠曲性出色。尤其是LM型的超长型号(LM-1型)可容许偏角为14°。ZG型采用锌合金材质毂、方形钢线螺旋弹簧采用,LM型采用铝合金材质毂、圆形不锈钢线螺旋弹簧,可根据使用环境进行选择。
金属螺旋弹簧部分采用3层结构,小巧而能传递高转矩。备有毂材质采用SUM24L或相当产品、螺旋弹簧材质采用钢琴线的型号(MM-K型)和为提高耐腐蚀性而采用不锈钢作为毂和螺旋弹簧的材质的型号(MM-K-S型),可根据使用环境进行选择。